1. 91看片在线免费下载,手机看片福利视频,91看片免费看,91看片视频APP下载

    background
    contact

    聯係人:91看片视频APP下载電力市場部

    聯係電話: 027-87455964 027-87455965

    郵箱:whhuayi@126.com

    公司:武漢91看片视频APP下载電力科技有限公司

    地址:武漢市東湖開發區高新四路40號葛洲壩太陽城工業園11棟

    技術文章    
    首頁 > 新聞資訊 > 技術文章

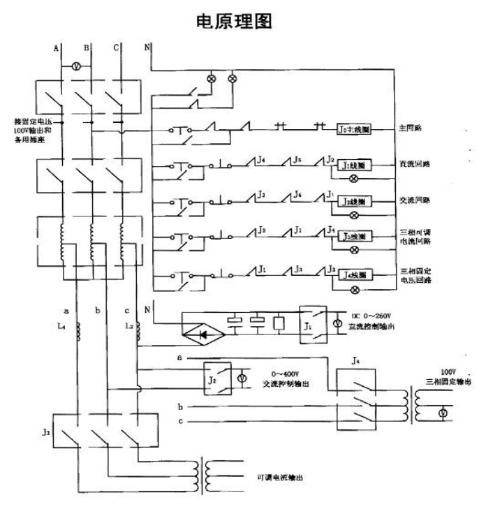
    高壓試驗台生產廠家線路原理圖

    發布時間:2021-06-04 10:25:37 瀏覽次數:5522

      開關櫃通電試驗裝置用於高低壓開關櫃生產廠家對所生產的高低壓開關櫃進行出廠前的各項通電試驗。它能提供各種交、直流電源,便於對開關櫃的檢測,提高工作效率。

      一、高壓試驗台生產廠家線路原理圖:

      二、產品特征:

      1、集成多組可調/固定的交、直流電源為一體;

      2、高精度數顯表指示,多組電源均單獨控製輸出,安全可靠;

      3、配有三相電流表,無需轉換就可直讀測試電流,測試數據清晰明了;

      4、配有安全可靠的漏電保護開關,大大提高了產品的安全性能;

      5、配置高質量Φ22大號操作按鈕,外形美觀、操作方便;

      6、於對開關櫃的檢測,大大提高工作效率;

      7、操作直觀,方便移動。

    歡迎關注微信公眾號:91看片视频APP下载電力

    91看片视频APP下载電力微信公眾號二維碼


    網站地圖